/ 雑記帳

APU用12V電源

回路図を見れば分かる思うがこれはヤロー電源回路がベースになっているので
定数を変更すれば12Vだけではなく5V出力にも簡単に変更できる。

NONALNUM-3132EFBD96



2020-07-0511-10-37


kicadで基板設計...
12V仕様APU用に作製、音は良い。

1583652191-1



— posted by くま at 11:15 am  

 

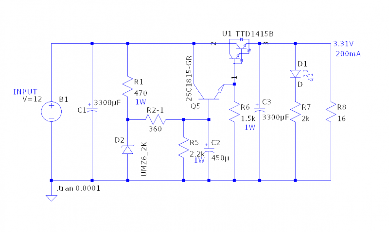
DDCの電源3.3V

また...アホな仮説に取り憑かれる。
色々な電源回路を試すうちにフィードバックループが
大きければ大きい程音が悪くなるんじゃないのか?
音声信号のアンプと似た部分があるんじゃないか?
というわけで(笑)これを作ってDDC部分で試して見ようかなと
ああ...電源電圧が高すぎでアッチチに(笑)

33V



— posted by くま at 08:51 am  

<< 2020.7 >>
SMTWTFS
   1 23 4
5 6789 10 11
1213141516 17 18
19 202122 232425
26 2728293031  
 
























T: Y: ALL: Online:
ThemePanel
Created in 0.0544 sec.