/ 雑記帳

RaspberryPi2 ネットワークプレーヤー

今回の製作の概要は RaspberryPi2+Kali Reclocker基板 をI2S入力アンプへ組み込んで
I2S信号をAK4493EQに直接入力
AK4493EQ差動出力をシングル信号に戻す事なく
トランジスタドライブ段にいれて終段のFETをドライブ
シンプルな信号ラインかな...

余談ですがKali Reclocker基板は曲と曲の間にミュートを入れて
不快なノイズをカットしている様で聞いていて非常に好ましい。

1



Kali



— posted by くま at 09:42 am  

結局Kali Reclockerのドライバーは...

Kali ReclockerのメーカーのHPのサポートページには
Configuring Allo Audio Cards for Raspberry Pi と言う資料が置いてあって
各DACについてどの様なドライバー設定をすれば良いか?書いてあるが
ハッキリ言って自社製のDACとの組み合わせの事しか書いていない(笑)
https://www.allo.com/sparky/kali-reclocker.html#downloadsLink
参考リンク:http://mpd.sytes.net/ja/support/i2sLink
というワケで
熊の巣実験環境で使用しているAK4493EQでは何を使えば良いのか?
総当りで試してみたが...

# I2S DAC
dtoverlay=rpi-dac
#dtoverlay=hifiberry-dac
#dtoverlay=allo-boss-dac-pcm512x-audio
#dtoverlay=allo-digione
#dtoverlay=allo-piano-dac-plus-pcm512x-audio
#dtoverlay=allo-piano-dac-pcm512x-audio
結論:dtoverlay=rpi-dac

適合していないドライバーを使うと音が出ないか
音は出るのだが基板上のサンプリング周波数表示LEDがソースと違う表示になる。

— posted by くま at 12:28 pm  

新手のフィギアーではなくて

ダイソーで見つけた透明ケースの寸法があまりにラズパイにぴったりだったので購入して
カッター、ヤスリ、ハンダゴテで加工して見ました。

ptest



— posted by くま at 02:49 pm  

I2S入力アンプ製作...RaspberryPiに誘われる

お気楽kitDAC4493PA+お気楽kitTYPE-P電源基板+TPS7A47x2電源基板
本当はラズパイじゃなくてやなさんのI2S-HDMI受信基板を載せる予定だったけど(笑)どうしようかな?
一応、リクロッカーとラズパイの電源はシャシー内部で調達出来るようにした。
リアパネルの穴あけ板金加工が面倒なんだよなぁ(笑)

razmund



1



— posted by くま at 04:11 pm  

symphonic-mpd 導入顛末記(7) 上出来だわ...

例のMCLK横取りDACの引き出し線加工後にやなさんAK4495 DAC基板+LL1540で音出しテスト成功
自分のヤツだと適当に作ってトラブルになるが(笑)さすがに依頼品となれば慎重に作業を進めて一発OK...さすがオレ(嘘)
symphonic-mpdの鳴りっぷりが良いのか?この基板の鳴りっぷりが良いのか、素晴しい音だと個人的に思います。

2019-06-13-190350



20190613200944



20190613200958



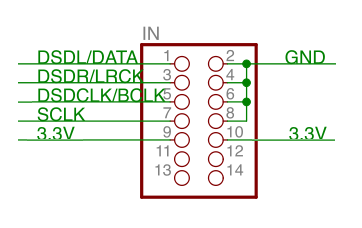
お気楽kit藤原氏 やなさんI2S入力ピン配置

IN3



— posted by くま at 07:17 pm  

symphonic-mpd 導入顛末記(6)信号の横取り

MCLK信号の横取りは果たして「1」or「2」
どっちなんだろう?
カタログによればPCM5122の20PINはimput属性で
(2)Failsafe LVCMOS Schmitt trigger input.と書いてある。
つまり20PINには基板上で生成されたある信号がインプットされるんだろうと想像できる。

自分はMCLKの流れはPCM5122の20ピンから出力されるとが勘違いしていた様に思う。
赤丸の部分の5本足の半導体の前にはクリスタルが2個見えている。
この部品は基準となる、ある信号を生成するために使われるのでは(笑)

intercept


SCL



— posted by くま at 03:23 pm  

symphonic-mpd 導入顛末記(5)Kali Reclocker導入...

予想はしていたが音が出る。
MCLKに基づいた各信号の打ち直しは出来ている様だ。
まああれ程事前調査したんだから(笑)
smpd upnpgw 仕様だったりする('~`;)
やなさんAK4495 DAC基板で試しています。これならマスターモードなんてあり得ないから(笑)
山水のトランスは実はパーマロイコア製で何時もいい仕事してくれます。
音質は個人的感想として分解能が高く音の重なり部分を聴くのが楽しくなります。
現状、音が出ただけで何の吟味もしていないので最初にリクロック基板の電源をLDOで供給しようと考えています。
二台のラズパイにも良い電気を食わせてやりたいと思います(笑)
今まではそれなりの音しか出ていなかったので
こんな考えは微塵もなかったが今回の取り組みでやってみたいと思う様になりました。
それだけKali Reclocker(リクロック基板)+symphonic-mpdの組み合わせは可能性を感じさせるます。
symphonic-mpdのお陰なのかも知れない(笑)

Reclocker



KaliReclocker



— posted by くま at 12:45 pm  

symphonic-mpd 導入顛末記(4)symphonic-mpdの接続先は?

HIFI DAC HAT
http://www.inno-maker.com/product/hifi-dac-hat/Link
このDACをラズパイに重ねてMCLKを赤ポッチ(抵抗通過後でも無くても良いらしい)
部分を配線で引き出してスレーブモードのDACのMCLK入力に接続すれば音が出るように...
下のリクロック基板と同じ処理が出来るという事だと思う。コストパフォーマンスはこっちが良いかも...


PCM5122



— posted by くま at 09:45 am  

RaspberryPiシリーズのMCLK信号が無い弱点を補うには

これをRaspberryPiに付ければMCLK信号がない弱点は一気に解消されて
ほとんどのI2S入力を持つDAC_ICに接続可能になるはず...
AK4137に接続するより遥かにシンプルで好ましい。
しかもFPGA制御の様に見える...欲しい
29PINにMCLK信号が出力される様だ。※裏面には無い(笑)
みみず工房掲示板でのmoct氏の発言でよく分からなかったRaspberryPiのMCLKが少し理解出来た様に思う。
http://mimizukobo.sakura.ne.jp/cgi-bin/read.cgi?mode=all&list=topic&no=6151#6165Link
マスターモードで動作するDACカードの例:http://www.inno-maker.com/product/hifi-dac-hat/Link
-------------------------------------------------------------------------------------------------------
私がマスターモードにこだわっているのは、スレーブモードの場合I2S信号の大元がPAS-PIのPLLになるためです。
今までBBBのBOTICでやってきたのも外部からMCLKを注入しそれに基づいてI2S信号を作り出せるものが他にはなかったからです。
MCLKが必要ということではなく、外部クロック(MCLK)基づいて生成されたI2S信号がほしい…ということです。
by moct氏
-------------------------------------------------------------------------------------------------------
だからこの製品の名前が「Re」 リクロック 再度クロックなんだなぁ
ただ約6000円の本体にそれ以上の価格のアクセサリーを付ける事に抵抗がある(笑)
だがしかしI2Sに拘りがあるので悩む(葛藤)...
https://www.ebay.com/itm/Kali-Reclocker/254034990682?hash=item3b25aa565a:g:GpwAAOSwrhBZJOtCLink


clook


KALII2SPINOUTFROMSBC


※29PINにMCLK信号が出力

KALII2SPINOUTTODACBOARD1


ここまで調べたら買うよなぁ...普通...

rapi2-pin


参考リンク:https://www.audiophonics.fr/en/diy-interfaces/digital-upsampling-interface-src-ak4137-i2s-32bit-384khz-dsd256-hat-for-rapberry-pi-p-13769.htmlLink

— posted by くま at 08:19 am   commentComment [2] 

<< 2019.6 >>
SMTWTFS
      1
23 4 5678
91011 1213 1415
16 171819202122
2324 25262728 29
30      
 
























T: Y: ALL: Online:
ThemePanel
Created in 0.0690 sec.