/ 雑記帳

2017オーディオ鑑賞会/講演会

http://www2s.biglobe.ne.jp/~yapsys/audiokannsyou.htmlLink
行って来ました。色々な意味でうーん...考えさせられました。
会場全体というかメイン会場の写真は撮れなかった(^_^;)
気になった基板とかアンプとか...

DCIM0095


この基板に使われているシーメンスの積層型のコンデンサーはフォノイコライザーに使っても
中々良い味を出す部品だ。その他の部品についてもレコードをテストソースにしないと
良いと分かりにくい部品が選択されているように個人的見解として思える(^_^;)
この基板の設計者はアナログが大好きな方だと想像する。
自分には調整能力が無いのでマルチウェイシステムには興味が無くもっぱら第二会場で過ごす(^_^;)

DCIM0103


会員の方々?の力作がテーブルの上に並んでいた。銀蒸気整流管83装備の12E1(STC)アンプ
一番聴いてみたかったが残念ながら音が出なかった。

DCIM0104


バランス出力型D/Aコンバーターについて講演された大和氏はもちろんだが
片桐隆宏氏のダンピングファクターと再生音の関係について実際の試聴を交えた説明は
なるほどと思わせるものがあった。
残念だったのはダンピングファイクターの差を聴くためのアンプ切り換えの際
再生レベルを手動でその度に合わせていたのでレベルが高い方が良い様に感じた方がいるのでは?
という部分であった。
「ドシ!」なのか「どしーーン」なのか?会場に来られた方々はどう感じたのだろう(笑)
最後に種明かしというか模範解答の説明があるのか?と思ったら無かった!
来場者間でも誰もその辺を語らなかった...知らなかっただけなのか?(^_^;)
来場者のレベルが高くてそんな事を説明するだけ野暮と言うことか(^_^;)
初めて行った催しであるため周りに状況がまったく掴めない。多分周りからみたら挙動不審者に見えたかも(笑)

個人的に真空管アンプを普段に使用しているとダンピングファクターが低いアンプに慣れてしまって
ダンピングファクターが高いアンプの音を聴くと低音域が硬い様に感じるのだが?

独り言うと...
励磁型のスピーカーシステムを使えばこの辺のDF値での音の変化を体感出来るように思った。
励磁型スピーカーの電磁石に流す電流を変化させる事とDFを変化させる事は同値の様に思う。

開催者様ブログリンク:https://blogs.yahoo.co.jp/yapsystem/33103835.htmlLink

— posted by くま at 01:58 am   commentComment [4] 

うーん やっぱり 信じてもらえず...

DACの差動出力をトランスでシングル出力への変換時のDCカット実験を
環境のある何人かの方に試して見てくださいとお願いしたんだけど
誰も試してないのかな?反応が無いな。結局コアボリュームの大きいトランスが
良いという結果になると思う。単純にトランスの性能ではない。
DAC側で注目すべき点は
直流抵抗分に流せる電流の限界がある(ドライブ能力) 
特にAK4497EQはその限界点が低い。
HLOAD機能を使ってこの限界点を下げられる様になっているが
音質的にはメリットが少ない。
トランス側では
通常、差動出力で使われるトランスでは
一次側に多量の直流電流を流す設計になっていない。
そのためDCカット無しで接続すると
コアに直流磁化が起こって見かけ上のコアボリュームが減少する。
だから、巨大トランスが有利になる。そんな理屈があると思うのだが(^_^;)
      
書くだけもったいなく無駄なのか(^_^;)
理屈なんて考えないでお金があったら物量つぎ込んで少しでも良くなったら
自画自賛をブログに書きまくって知らない人に勧めて広めて
真実にしてしまうという構図にならなければ良いのだが
お金使って自己顕示欲全開モードで受け売りしてるのもみっともない。
測定器を使わないまでも結線を変更して素直な気持ちで試聴すれば何か違うと感じ取れる様に思う。
試してみて全然ダメという評価であれば甘んじて受ける覚悟はある。
      
何度も書く AK449XEQシリーズのDAC_IC は「電圧出力型」であるから
IV変換は必要ない。IVの意味は 「(I)電流から電圧(V)」 変換という意味
出力は変換先の電圧(V)で出ている。
だから差動出力合成トランスをIVトランスとか書かないで欲しい。(^_^;)
AK4497EQにトランスを接続して差動出力していてIVトランスと書いている時点で
理解しているか?疑わしく思う。オームの法則レベルだと思うが?
      
純粋な電流出力DACとは PCM1794等の負荷抵抗値が変わっても
出力電流が変わらない様なDAC_ICの事だと
だからIV回路が必要なんだと
      
同じ低巻線直流抵抗値、交流抵抗(インピーダンス)で,コアが巨大なトランス負荷を
AK4497EQ,ESS9038PROに接続したら
当然ドライブ電流が流せるESS9038PROの方が音が良いに決まっていると思う。
AK4497EQは重い負荷を繋がれて音が悪いと貶されて可愛そうだな(^_^;)

— posted by くま at 01:44 pm  

今日はカフェ・コロポックルへ

カフェ・コロポックルに音を聴きに行ってきた。
マスターと二時間以上おしゃべりしてきた。
音を覚えている内に我が家の音と比べて分析したい。
やっぱりESS9018は青系の音の様に思う。
対してAK449XEQ系は赤系(薄いオレンジ色)に感じる。
今回、LINNのプレーヤーでのレコード演奏を聴くことが出来たのは収穫
実は無茶苦茶音が良かった(^_^;)
近いうちまた行かないと...

— posted by くま at 12:30 am  

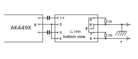
LL1540 試してみました(^_^;)

今、音が出たところでプラシーボ効果全開モードなので多くは語らない方が良い様に思う。
ひとつ言えるのはトランスの一次電流を増やした場合やインピーダンスを下げた場合は
今までの経験から低音が増える傾向がある。逆は高音部分が強調される。
今回LL1540を接続するという事は負荷抵抗を上げる方向なのだが
低音域の力感とスピード感が増した!
これは恐らく今までDACのドライブ能力が足りていなかった?
そんな状態ではなかったかと想像する。
オフセット分はコンデンサーでカットしている。
コンデンサー無しの接続の場合で
コアの大きなトランスで好結果が出るのは直流磁化の影響が少なくて済むからだと思う。
決してファインメットだからとかウエスタン製だからでは無い!!!

LL1540-R


      

LL1540-R1



— posted by くま at 10:45 pm  

DACの出力GNDにはプラス側オフセットが乗っているのである

DACの差動出力をトランスに接続してシングル出力に変換する場合
大抵の方はGND接続には目をつぶって±信号側のみ接続している。
それは正解?なんだろうか?
一度でいいから大容量コンデンサーを通してDCを切ってみてください。
(※電圧出力のDACに限ります。電流出力DACには適さない接続です。)
電圧出力DACで負荷抵抗がKΩ単位で指定されているのはどうもこの辺の問題が有る様に思います。
ビックリする音になると思います。
DCを切ればトランスのセンタータップにGNDが接続出来ます
交流的にはGNDを真ん中に信号が振れるんでは?
この接続の欠点は高圧のバイアスがコンデンサーにかからないので
柔らかいコンデンサーを使わないと音がソリッドになりすぎる事です。

bNY7JgGF


参考リンク:http://www.audiodesignguide.com/DAC32/index2.htmlLink
この例はLL1684を使用してGNDへ帰る側に大容量フイルムコンデンサーを入れている。

— posted by くま at 10:24 pm  

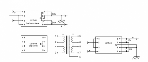
LL1540 を試してみようと思ってる...

結局、AK4497EQはHLOAD ONでもハイインピーダンス受けが良いという結論に至る。
なので出力トランスはLL1540を試してみようと思う。
LL1531の方が信号レベル的には適合しているかも知れないが
バカだから外形の大きい方に転んだ(^_^;)
なんとカタログよればLL1540 の入力レベルは30dbu(24.5Vrms)までOKって...
大きすぎである。
これは小信号入力時のレスポンスが鈍くなる可能性がある。
ちょっと心配だ。
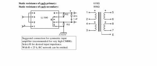
一次側の巻き線はDCR 610Ωだから直列なら1.22KΩとなるので
HLOAD ONで何とか良い状態でドライブ出来ると思っている。
AK4490EQの1.5KΩを守れって事がいかに厳しいか...
こちらも大丈夫という選択をするのであれば前に書いた
JT-11P-1HPC というJensen製のトランスにするべきだと思う。
巻き線を増やすとどうしても周波数特性が悪くなる。20KHzまで聞こえるか?
そんな論点もある。
やはりせっかくだからワイドレンジ狙いでいきたいという悪い虫が騒ぎ出す。(^_^;)
後はね−− センタータップが出て無いとね−−(^_^;)
      

LL1540-C



— posted by くま at 10:44 pm  

AK4495EQ-AK4497EQ 本当に必要な負荷ドライブ能力とバランス

DAC_IC内部を流れる電流が適正範囲を超えると音質劣化するのだとしたら
AK4495EQ-AK4497EQへのバージョンアップは中途半端なHLOAD機能追加により
音質クオリティーが下がったのか?
AK4497EQの通常モードでドライブできる抵抗値は
4495に比べて大きくなってしまっている。
これが何を意味しているのか?

— posted by くま at 12:40 am  

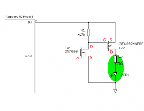
RaspberryPi2 (Archlinux) lirc を動作させる(2)

田舎は部品調達が厳しいから嫌になるが手っ取り早く赤外線LEDが欲しかったので
近所のハードオフで一番安いリモコン買ってきて
壊して赤外線LEDを取り出してリモコン送信ユニットを作成してみた。
LEDのドライブ回路はめちゃくちゃオーバーだが
以前に作成済みだったのでRasppberryPiに負荷をかけない意味もあり使用した。

14514538422


      

DCIM0069


             

DCIM0068


      
操作コマンドはこんな感じ...

NONALNUM-53637265656E73686F742D726F6F7440616C61726D70693A7E


      

LED-D



— posted by くま at 11:25 am  

RaspberryPi2 (Archlinux) lirc を動作させる(1)

(2)RaspberryPi2 (Archlinux)の環境でUSB経由では無い赤外線受光器を取り付けて
lircでコントロールする。ホントに試行錯誤の連続で苦労しましたが何とか動作。
Web上の情報が古い事とDebianベースの環境ではないので真似だけでは出来なかった(^_^;)
使用した部品等
赤外線リモコン受信モジュール OSRB38C9AA
Apple Remote MC377J/A
 
参考サイト:
https://archlinuxarm.org/forum/viewtopic.php?t=10722&p=53098Link
http://www.neko.ne.jp/~freewing/raspberry_pi/raspberry_pi_3_lirc_ir_remote_control/Link
今回のポイント
1.最新のパッケージじゃ動作しないって事だった(^_^;)
http://tardis.tiny-vps.com/aarm/packages/l/lirc/lirc-1%3a0.9.3.a-2-armv7h.pkg.tar.xzLink
2.GPIO関連のパッケージを最新に更新した。PKGBUILD(makepkg)で作成(
https://aur.archlinux.org/packages/wiringpi-git/Link
3./boot/config.txt
dtoverlay=lirc-rpi,gpio_out_pin=17,gpio_in_pin=18,gpio_in_pull=up
4.irrecord -n -f -d /dev/lirc0 test.conf
-f オプションが必要だった(^_^;)
5.cat /sys/kernel/debug/gpio で確認してもGPIOがlircと連動しているか分からない状態だった。
gpiochip0: GPIOs 0-53, parent: platform/3f200000.gpio, pinctrl-bcm2835:
gpio-35 ( |? ) out hi
gpio-47 ( |? ) out lo


lirc for Archlinux



— posted by くま at 03:38 pm  

<< 2017.4 >>
SMTWTFS
      1
23 456 78
9101112131415
16 1718 19202122
2324 25 26272829
30       
 
























T: Y: ALL: Online:
ThemePanel
Created in 0.0808 sec.